Á¦Ç°¼Ò°³
- º¯¾Ð±â
- °³Æó±â
- C-GIS
- ¸®¾×ÅÍ
- Package Type Transformer
e-ºñÁö´Ï½º
- Á¦Ç°°ßÀû¹®ÀÇ
- E-Ä«´Ù·Î±×
- A/S¿äû
- Á¦Ç°»ç¿ë¹®ÀÇ
- ǰÁúÀÎÁõ¼
Ä¿¹Â´ÏƼ
- °øÁö»çÇ×
- µ¿¹æÀü±â´º½º
- ȸ»çÅõ¾î
ȸ»ç¼Ò°³
- ȸ»ç°³¿ä
- ȸ»ç¿¬Çõ
- CEOÀλ縻
- ¿À½Ã´Â±æ
- ä¿ë¾È³»
- CI&BI
°í°´¼¾ÅÍ
- ±â¼úÀÚ·á½Ç
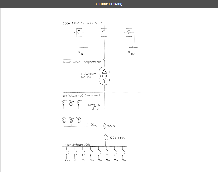
> Á¦Ç°¼Ò°³ >
Package Type Transformer
Ratings
Rating Voltage : 33KV,11kV - L.V
Capacity : 300~1,000kVA