Product
- Transformer
- Swtich
- C-GIS
- Reactor
- Package Type Transformer
e-Business
- Contact us
- e-Catalogue
- Certificate
Community
- Company Tour
Company
- About Company
- History
- CEO Greetings
- CI&BI
> Product >
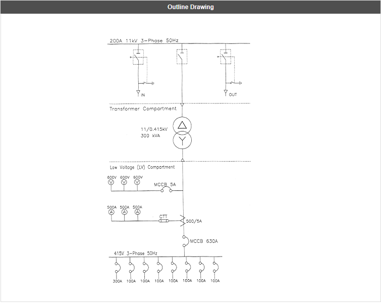
Package Type Transformer
Ratings
Rating Voltage : 33KV,11kV - L.V
Capacity : 300~1,000kVA